« 飯島正広氏 逝く | メイン | ペンキ缶を汚さずに、ペンキを注ぐ方法 »

パナソニックVL-V566レンズ交換 その3

v56609

Aliexpressに発注しておいたレンズが予定より大分早くやってきた。
本体690円 送料534円 計1,224円なり。

左が前回amazonで買ったレンズ、右が今回買ったレンズである。
ネジの部分はM12ピッチ0.5という統一規格なので、パナソニックのレンズホルダーに簡単に収まる。
問題はレンズの外径である。
 

*********************************************

仕様
製品タイプ魚眼レンズ防犯カメラレンズ
画像フォーマット1 / 2.5
マウントM12×0.5 IPカメラ
焦点距離1.7mm
広角185°
絞り/ FF2.0
パッケージサイズ約10 * 7 * 2 cm / 3.94 * 2.76 * 0.79 in
パッケージ重量9 g

*********************************************
amazonの仕様データには、これしか書いてないので、レンズの外径が大きすぎてケースにきちんと収まらなかったのである。

v56613

 一方、Aliexpressの方も、ここまではちょっと詳しい程度であるが、

 

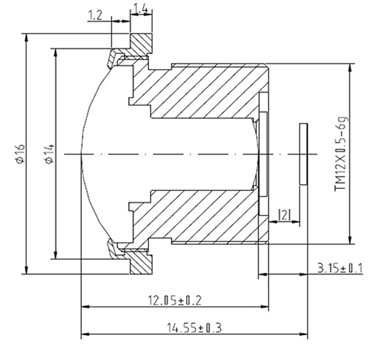
b56614

うれしいことに図面まで出ていて、こちらが結構役に立つのである。
これを見れば、レンズの外径が16φでレンズの固定穴?を通るなというのが分かるのである。Aliexpressも、昔は安かろう悪かろうが結構あったのだが、今は大したものなのである。中国恐るべし。
日本ではここまで丁寧に図面を載せているのは、ミスミくらいであろうか。

 

コメントを投稿

About

2023年02月19日 07:59に投稿されたエントリーのページです。

ひとつ前の投稿は「飯島正広氏 逝く」です。

次の投稿は「ペンキ缶を汚さずに、ペンキを注ぐ方法」です。

他にも多くのエントリーがあります。メインページアーカイブページも見てください。

Powered by
Movable Type 3.35